Design & Engineering

Electrical design and engineering
big quote accent

Separating design from manufacturing increases the risk of errors and delays

APS Group’s Electrical design and engineering division provides the technical foundations for complete electrical solutions. We work closely with clients to ensure every design is accurate, compliant, and ready for seamless integration. 

From system schematics to functional descriptions, our designs are tailored to your operational requirements, site conditions, and industry standards, setting your project up for success from day one.

Our capabilities Include

Consultation

System Design

Function Design Specifications

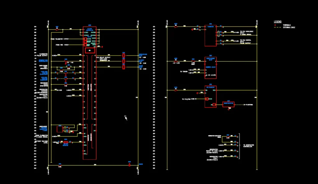
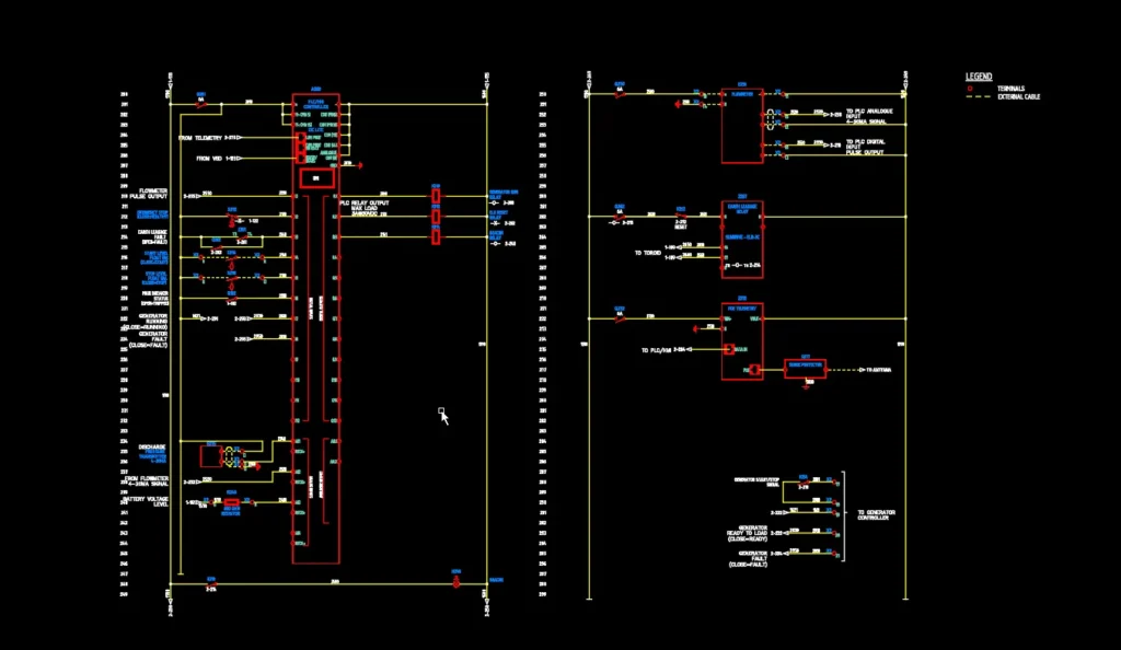
Single Line & Detailed Schematics

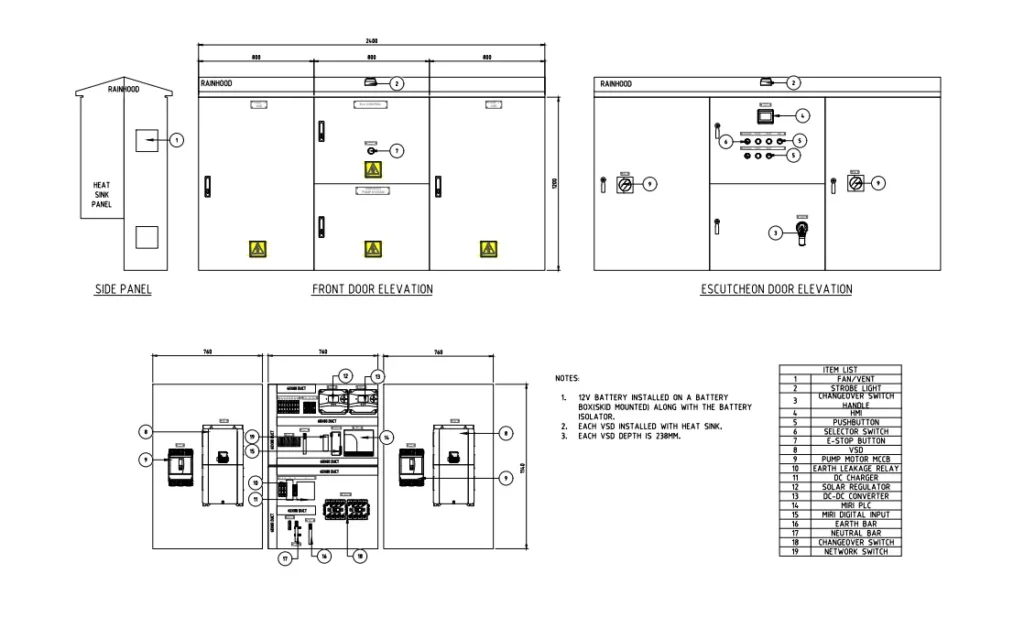
Switchboard / MCC / Control Panel Layout

General Arrangement Drawings

Panel & Field Termination Diagrams

Load, Arc Flash & Harmonic Studies

Designed and engineered to comply with relevant Australian standards including:

Need end-to-end solutions for your project?

Speak to APS Group about how we can fuel your site – so your operations can keep moving forward with you.

Manufacturing

hero-electrical-manufacturing

Programming

hero-electrical-programming

Install & Commissioning

hero-electrical-install

Quality Assurance

Electrical Quality Management ISO 9001

Our Clients

Send us a message